いまさら鉱石ラジオ


現在使用中のベットラジオです。

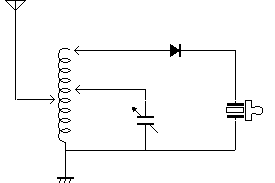
回路はきわめて単純。
コイルは500mlのペットボトルに0.4mmエナメル線100回巻。
途中10回毎にタップ出し。

VCはおなじみ2cm角ポリバリコン。
レシーバーは国産セラミックイヤフォン。
ゲルマニウムダイオードの型番は不明。

ほとんどのパーツは15年ほど前に国分寺駅の
近くのパーツ屋さんで購入しておいたストックです。


回路図上のタップ切替はみの虫クリップで
行ってます。
ロータリースイッチはもったいないので使ってません。

アンテナは屋根の上に張った約30mの銅線です。

NHK第一、第二は問題なく受信できます。
タップをうまく切り替えると
夜にはTBSやニッポン放送なども結構よく入ります。

またバリコンのタップをはずす(VC無しにする)と
短波がかなり強力に入ってきます。

タップと周波数の関係についてはまとめていません。


実はこれが好感度の秘密。
アナログ電話線に繋いだアース。
劇的な高感度を生みます。


鉱石ラジオはいいですね。よく言われることですが電池不要で音が柔らかで自然。
そして何よりもこんな簡単な回路でラジオ放送の受信が成立してしまうことがすごいと思います。
〜〜〜〜〜〜〜〜〜〜〜〜〜〜〜〜〜〜〜〜〜〜〜〜〜〜〜〜〜〜
我が家は「電気屋さん」です。当然ですが子供の頃から電気工作は日常の一部でした。
そして何度かゲルマラジオを作ってきた記憶があります。

自分の記憶している範囲で一番古い記憶は小学1年の時にカルタのプラケースにゲルマラジオを
組んだかすかな記憶です。ジャンクの中から拾い出したバリコン、コイル、ダイオードを組み合わせ
ハンダ芋付けで滅茶苦茶な工作をしたんだと思います。唯一確かな記憶がアンテナ。
なんとロッドアンテナ。当然ですが鳴らなかった記憶もあります。

その後電子ブロックなどを経て何度か製作したんだとは思いますが確実な2作目の記憶は
小学6年の時に作ったゲルマラジオ。ジャンクのバーアンテナにエナメル線を50回くらい巻いた
コイルをつくりNHK第二を聞いた記憶があります。
ただこのゲルマは直ぐに2SC372と組み合わされ1石高1ラジオになってしまいました。

中学〜高校時代はアマチュア無線に手を出したためゲルマラジオを作ることはありませんでしたが、
大学進学して上京した時に東急ハンズと出会い、そこで手に入れたNo.88豆コイルで作ったのが
かの泉弘志大先生の「耳ラジオ」。大昔の初歩のラジオの折込ページに製作記事が載っていたの
一品なのですが要はクリスタルイヤフォンの背中に組み込んだゲルマラジオです。
かすかな記憶を頼りに無理やりな工作をしたので結果的には直ぐにバラバラになってしまいましたが
混信する中でTBSが聞こえた記憶があります。これが3つ目の記憶。

就職後何年かしてスキーに夢中になった頃にスキー場で使うべく再度アマチュア局を開局したのですが
リグ探しに秋葉原へ出かけたときラジオデパートの中で偶然にも科学教材社のスパイダーコイル式
ゲルマラジオのキットを見つけた私は直ぐに購入し組み立てたのでした。でも直ぐにガラクタ箱へ。
その後もパーツ屋通いを重ねながら泉氏の名著「1・2石ラジオ製作集」の製作記事にそった製作を
散発的に行いながら日々をすごしていました。

そして結婚、出産、Uターンとイベントを重ね数年たったころ、実家の数キロ先にNHK第一の中継所が
出来ました。私は直ぐにガラクタ箱をひっくり返し件のスパイダーコイル式ゲルマラジオを取り出し聞いて
見ると・・・・・NHK第一放送が聞こえるではありませんか。いまさらながらのちょっとした感動でした。
でもそれ以上の進展のないまままた数年。

息子が小学2年のクリスマスに「科学教材社のスパイダーコイル式ゲルマラジオのキットが欲しい!」と
言い出しました。「サンタ」はその品をプレゼントしたわけですが、さらに冬休みの工作にゲルマラジオを
自作してました。もうこうなると私の中で何かが崩れました。以来ヒマを見つけては製作を繰りかえして
いるのでした。

製作の都度部品を使いまわす為、旧作は決して残りません。せいぜい穴のあいたプラケースとか
コイルだけになった穴だらけのカマボコ板とかがせいぜいです。だから現時点で旧作の紹介は不可能です。

戻る